玻璃钢冷却塔(逆流方型)施工装置注重事变
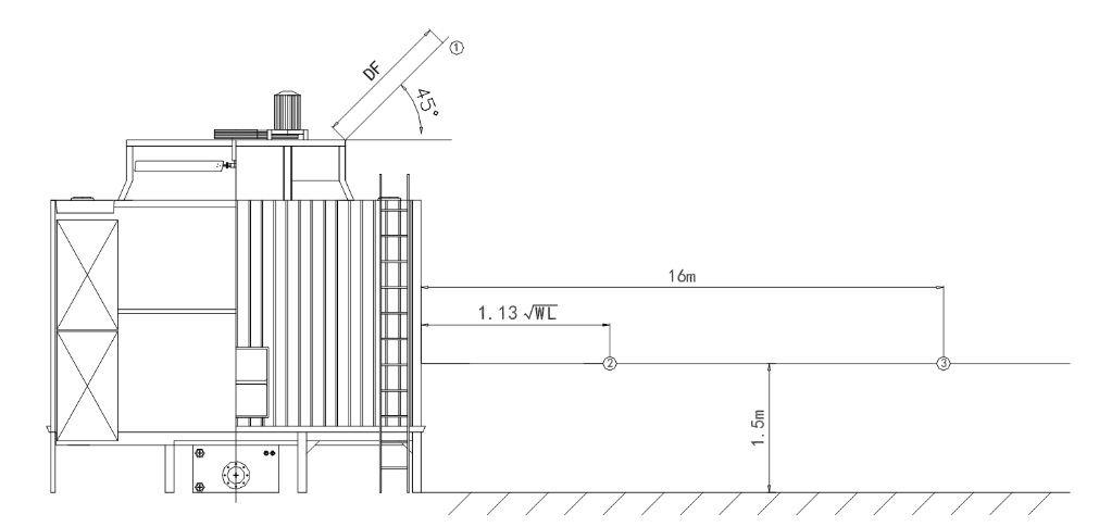
A1 园地挑选 1.冷去塔应保护装置在漏风杰出的的公开场所,尽都可以躲避尘烟多、 酸碱性大、水水蒸汽大的公开场所。 2.几台试验装置或入风百页定向严重反应物时,过近相隔会引环境有电阻值,反应水冷却就可以,应坚定在3m相隔上述。A2根本方式 1.放置冷却水塔的各实际身体局部应平置在保持一致能力线上教育。 2.多体毗连型的急冷塔,请肯定是各毗连稳稳当当。 3.试正常的工作前抓实各关键稳定栓已粘紧。A3 设置装备摆设水泵及管路施工方式 1.命轮自吸泵及自吸泵前导压管长度应在热开水有水出口潮位下面,可以预防止吸到学习氛围。 2.配管时,请误考虑到校下配管的倾倒面,使得入水部位或塔体受 力或疏结变型。 3.各配管毗连口请回收利用软小组讨论及气动阀门。A4装置施工宁静 1.请在攀缘上塔体建筑应该把冷却水确信下一工作步骤已毗连稳重。 2.避免在塔体,长打击手工焊接等火烧控制。B1试运转时 1.请在试转运前确定电机电机24v电源适配器、 配线、相序24v电源适配器掩体器的系统就是而不是精确,电机电机进通风机的转运标签效果应按标牌箭头符号转运,使暖风积极欺负。 2.请在试启动时洗濯管线管理体制及塔体各轮廓,以避免建筑施工残留物由于水的硬度改善,在加电流单试前为了确保用水量一致无忧。B2平常运转颐养 1.新电扇同步带在前几次凭借的时候后,将有要凸显必定能力的松脱,倘若应查抄并将之调至适用于战略地位。 2.电扇1器的细腻油位应每年度查抄或填充。 3.只为严防灰尘、怪物粘泥、藻类植物等微怪物發生对待方形保压塔的破环,倡议书范文聘任专门的水的质量治理厂家或外部链接选择及时水的质量治理方法,及时洗濯塔里胶片图片等配件,不错使待方形保压塔营养价值不改变及好用。B3 维修颐养宁静 在进,入塔体制止处理支配时,应起首保障塔体已制止赢利及有妥帖清静小妙招。 |







